Водопад стеновой встраиваемый Astral 2000

акция
Артикул: 39297
Водопад стеновой встраиваемый Astral 2000
акция

Купить в 1 клик

  • Описание

    Производитель: Astral (Испания)
    Артикул / модель: 34038

    Цена указана за 1 шт.
    Технические характеристики:

    • Монтаж:

     Тип установки: Встраиваемый

    • Размеры и вес:

     Ширина излива: 200 см
     Высота: 44.8 см
     Длина: 37.6 см

    • Мощность и производительность:

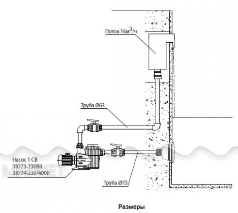
     Расход воды: 16 куб.м/ч

    • Подсоединение:

     Подсоединение: Фланцевое 250 мм

    • Материалы:

     Материал: Нерж. сталь AISI-316



    Описание:
    Стеновой встраиваемый водопад компании Astral представляет собой каскад, предназначенный для создания водной завесы с умеренным потоком, визуально стекающим по поверхности стены. Устройство имеет секционную прямоугольную конструкцию, изготовленную из нержавеющей стали первоклассного качества – AISI-316. Стеновой водопад обладает стабилизационным фильтром, расположенным в основании. Подача воды осуществляется с боковых сторон каскада. Изделие имеет фланцевую систему трубопровод с соединением фланцев 250 мм. Купив стеновой водопад Astral 2000, вы будете рады своему выбору.
    Обратите внимание, что дополнительно рекомендуется приобрести: насос, всасывающий патрубок, всасывающую накладку, переключатель и таймер.

  • Комментарии 0

Производитель: Astral (Испания)
Артикул / модель: 34038

Цена указана за 1 шт.
Технические характеристики:

  • Монтаж:

 Тип установки: Встраиваемый

  • Размеры и вес:

 Ширина излива: 200 см
 Высота: 44.8 см
 Длина: 37.6 см

  • Мощность и производительность:

 Расход воды: 16 куб.м/ч

  • Подсоединение:

 Подсоединение: Фланцевое 250 мм

  • Материалы:

 Материал: Нерж. сталь AISI-316



Описание:
Стеновой встраиваемый водопад компании Astral представляет собой каскад, предназначенный для создания водной завесы с умеренным потоком, визуально стекающим по поверхности стены. Устройство имеет секционную прямоугольную конструкцию, изготовленную из нержавеющей стали первоклассного качества – AISI-316. Стеновой водопад обладает стабилизационным фильтром, расположенным в основании. Подача воды осуществляется с боковых сторон каскада. Изделие имеет фланцевую систему трубопровод с соединением фланцев 250 мм. Купив стеновой водопад Astral 2000, вы будете рады своему выбору.
Обратите внимание, что дополнительно рекомендуется приобрести: насос, всасывающий патрубок, всасывающую накладку, переключатель и таймер.

Удалить товар

Вы точно хотите удалить выбранный товар? Отменить данное действие будет невозможно.

Удалить товар

Вы точно хотите удалить выбранный товар? Отменить данное действие будет невозможно.